- ホーム
- 製品紹介:現場仮設備用機器
- プレロ-ド用ジャッキ
調整材(ディスタントピース)DP
◆ユニバーサルジャッキのUタイプ、DNタイプは各切梁サイズ枠内に収まる大きさで最大限の能力を持つように設計されています。
その為、本体は両端のエンドプレートの端部いっぱいに設計されており、切梁との接続には調整材を取付ける必要があります。
◆取付にはM22ボルトをお使い下さい。
							
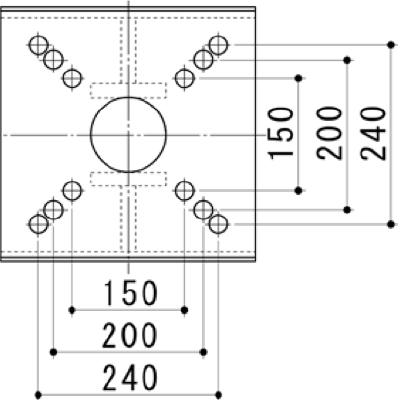
◆ユニバーサルジャッキを御照会頂く場合は下図を参考にして、
							
 ① H型鋼の種類
 ② エンドプレートの取付穴のピッチ(縦×横)	
 ③ 機種
								
 の3点をご指示下さい。
	※ 特に御指示が無い場合は(h=100㎜)が付きます。
 
 














